Custom DJ Booth
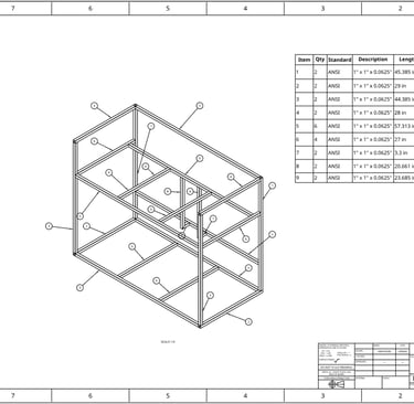
Designed and fabricated a one-of-a-kind DJ booth tailored to the customer’s needs, translating requirements into a fully detailed CAD model in Onshape. The structure was developed using weldments to define the aluminum extrusion framework, enabling accurate layout, fit, and manufacturability. The booth was fabricated and assembled entirely in-house, featuring an aluminum extrusion construction mounted on casters for durability, mobility, and ease of deployment.


CAD Model










Cut List
In Process Build






Final Stages




Reach out for design, engineering and manufacturing help!
© 2025 - 2026. All rights reserved.
